
泊头市良晟机械制造有限公司主要生产胀紧套,膜片联轴器,星形弹性联轴器,轮胎式联轴器,万向联轴器,鼓形齿式联轴器,梅花形弹性联轴器,链轮链条联轴器,刚性联轴器,弹性套柱销联轴器,弹性柱销联轴器,弹性柱销齿式联轴器,蛇形弹簧联轴器,联轴器配件,机架,搅拌器等系列产品,产品销售至各地,深受新老客户的青眯。
WSP型小型十字轴万向联轴器,它主要用于系统主从动轴线有相当大的折角的工况条件下,并且允许在旋转过程中,根据需要,折角和两轴端间距在满园内变化的情况。
万向节的结构和作用有点像人体四肢上的关节,它允许被连接的零件之间的夹角在 范围内变化。为满足动力传递、适应转向和汽车运行时所产生的上下跳动所造成的角度变化,前驱动汽车的驱动桥,半轴与轮轴之间常用万向节相连。但由于受轴向尺寸的限制,要求偏角又比较大,单个的万向节不能使输出轴与轴入轴的瞬时角速度相等,容易造成振动,加剧部件的损坏,并产生很大的噪音,所以广泛采用各式各样的等速万向节。在前驱动汽车上,每个半轴用两个等速万向节,靠近变速驱动桥的万向节是半轴内侧万向节,靠近车轴的是半轴外侧万向节。在后驱动汽车上,发动机、离合器与变速器作为一个整体安装在车架上,而驱动桥通过弹性悬挂与车架连接,两者之间有一个距离,需要进行连接。汽车运行中路面不平产生跳动,负荷变化或者两个总成安装的位差等,都会使得变速器输出轴与驱动桥主减速器输入轴之间的夹角和距离发生变化,因此在后驱动汽车的万向节传动形式都采用双万向节,就是传动轴两端各有一个万向节,其作用是使传动轴两端的夹角相等,从而输出轴与输入轴的瞬时角速度始终相等。
因为单个十字轴万向节不能其前后两段轴的等速旋转(即变速器输出轴是匀速旋转的,但经过万向节传递到传动轴上,就变成忽快忽慢的不匀速旋转,每转动一周就有两快两慢的变化),使机件受到附加作用力,降低了机件的使用寿命。
为了这一弊病,十字轴万向节总是成对使用,即后一个万向节把前一个万向节带来的变化再改回来,重新成为匀速旋转。所以,在拆卸传动轴之前,好把各个零部件的相对位置都做好标记。在装复时,应注意变速器(分动器)输出轴与驱动桥主减速器的输入轴等速转动,即传动轴稳定运转而无摆振现象。
为十字轴万向节的传动轴所联系的输出、输入轴的等速转动,对于双万向节的传动轴,要求轴两端的万向节叉应位于同一平面内;对于三只万向节的长、短轴,除要求三只万向节叉均应在同一平面外,还要求短轴两端的两万向节叉的叉头应相对,长轴两端的两万向节叉的叉头应相反。为传动轴的平衡,在组装伸缩节时,应将节上的标记正对正轴上的标记。如传动轴上无装配标记,在拆卸时应做上标记,以免装配时搞错。在装配传动轴时,还应检查平衡块是否脱落,如已脱落或传动轴经过修理,有条件时应进行动平衡试验,其不平衡量一般为10~100g.cm.此外,对于有中间支承的传动轴,在安装时还应检查轴承的径向间隙,其不应过大,以免传动轴摆振和发响。
WSP型小型十字轴万向联轴器结构特点:
1.每节大转动角度为45度。
2.连接大的轴间距
3.成品孔公差为H7,另可根据要求开键槽,六角孔和四方孔
4.可非标订制(快锁型,带法兰型,滚针轴承型。)
WSP型小型十字轴万向联轴器结构特点:
1、每节大转动角度为45度。
2、连接大的轴间距
3、成品孔公差H7,另可根据要求开键槽,六角孔和四方孔
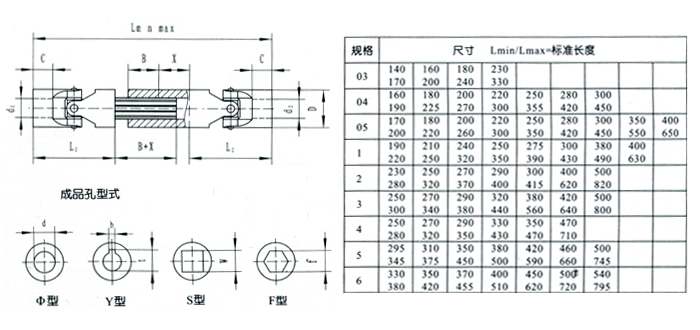
4、安装长度L和X(行程)的计算:行程X小于或等于(Lmax-2.L2-B)/2
Lmin大于或等于(Lmax+2.L2+B)/2
小尺寸Lmin=L2+B+X+L2
其主要性能参数:
轴孔范围:10-50mm
联轴器外径D:22-95mm
轴孔长度C:12-50mm



